本文導讀
SiC/GaN將開關速度推向納秒級,800V高壓下的損耗怎么測?ZUS示波器自帶雙脈沖測試功能,通過“兩次脈沖”精準量化開關損耗與反向恢復數據。告別模糊的波形觀察,用精確數據支撐電路優化。
案例背景:能效決戰“0.5%”時代

為什么要做雙脈沖測試?
疏忽尖峰: 往往會忽略極端工況下的電壓尖峰; 無法量化: 難以具體量化單一功率器件的開關損耗; 后期風險: 隨著工程面擴大,設計余量的浪費或整機故障風險會陡增。
原理解釋:什么是雙脈沖?
示波器雙脈沖測試的核心,是通過兩次連續的脈沖信號來判斷元件的穩定性:
第一次脈沖:用于建立電感電流,穩定電路狀態;
第二次脈沖:真正的測試階段,用于捕捉開關關鍵數據。
標準的脈沖時序邏輯(t0-t5):
t0-t2:電源上電,電路進入穩定準備期。
t2-t3(開通):發出第一個“開通脈沖”,器件從關閉轉為導通,電流上升。
t3-t4(關斷與間隔):發出“關斷脈沖”,記錄電流電壓變化(開關損耗、浪涌),此時電感續流,為第二次脈沖做準備。
t4-t5(二次開通):發出第二個“開通脈沖”,測試導通特性。
t5以后(二次關斷):元件切回關閉,再次記錄關斷時的能量損耗、電壓尖峰。
示波器正是通過捕捉這幾次動作前后的微秒級波形,直觀評判器件是否穩定、高效。

數據維度:雙脈沖主要測什么?
ZUS示波器能夠將波形轉化為三大類核心數據:
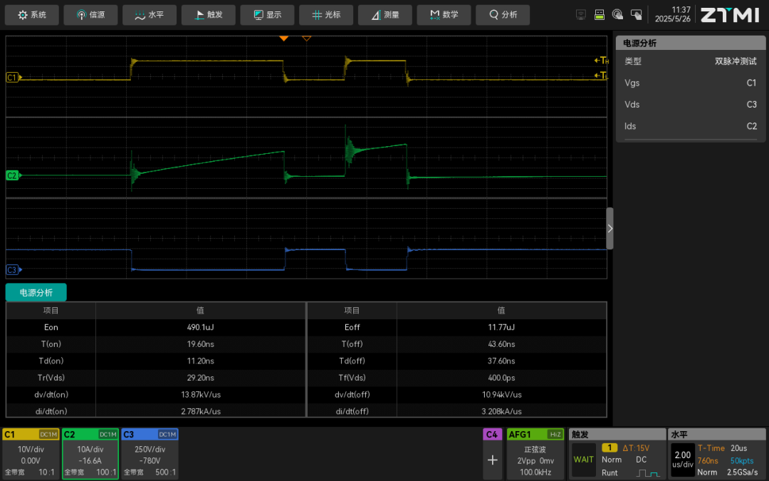
1、開關損耗參數
開通損耗 (Eon):影響高頻工況下的發熱與續航。
關斷損耗 (Eoff):在SiC/GaN高頻應用下,該損耗占比極高。
2、時序參數(納秒級)
延遲時間 (td):影響驅動信號與器件動作的同步性。
上升/下降時間 (tr/tf):直接決定di/dt大小,其中SiC的下降時間通常在納秒級。
3、應力與反向恢復參數
電壓尖峰:關斷瞬間的Vds/Vce過沖,需通過測試指導緩沖電路設計,防止器件擊穿。
電流變化率 (di/dt):變化過大會引發EMI干擾。
反向恢復 (Irr/Qrr):評估續流二極管的損耗與干擾特性。
落地實測:ZUS系列示波器怎么測?
ZUS系列示波器自帶專業的雙脈沖測試功能,覆蓋損耗測試和反向恢復測試。用戶可根據實際需求直接調取功能。今天主要介紹雙脈沖功能中的損耗測試。

圖3 損耗測試
針對不同的測試環境與預算,提供兩套差異化電壓測試探頭方案:
配置:ZP1500D 高壓差分探頭
場景:適合測試環境相對干凈、對成本敏感的場景。以高性價比滿足常規電壓測試需求。

2、精度優先方案
配置:ZOP5035 光隔離差分探頭
場景:適合有噪聲干擾、對精度要求嚴苛的場景。光隔離設計抗干擾能力極強,誤差更小,是SiC高精度測試的首選。



總結:雙脈沖測試的核心優勢
雙脈沖測試是評估IGBT/SiC等功率器件動態特性的關鍵手段,具備無可替代的優勢:
接近實際工況:通過電感負載模擬真實逆變器中的電流連續模式(CCM)。
可重復性強:每次測試條件可控,便于對比不同器件、驅動參數等。
全面評估動態特性:一次測試即可獲得開通、關斷、二極管特性、損耗、電壓電流應力等;
無需復雜負載:只需一個電感,比全功率測試更安全、經濟、高效;
是器件選型與驗證的標準方法:廣泛用于 IGBT / SiC / GaN 器件評估與驅動優化。
ZUS系列示波器內置雙脈沖測試功能,一鍵捕捉納秒級波形,精準量化開關損耗、電壓尖峰等參數,為功率電路的能效優化提供核心支撐。

—— END ——